¿Qué es el CSMA/CD? Explicación y definición del procedimiento IONOS

Detalles. En comunicaciones, CSMA/CA (del inglés Carrier Sense Multiple Access with Collision Avoidance) o, en español, acceso múltiple por detección de portadora y prevención de colisiones, es un protocolo de control de acceso a redes de bajo nivel que permite que múltiples estaciones utilicen un mismo medio de transmisión. Cada equipo anuncia opcionalmente su intención de transmitir.
Modulación Mind Map

Acceso múltiple con sondeo de portadora .. En la figura 106 se ve un ejemplo con 4 estaciones, se observa que inicialmente la estación B empieza a transmitir dado que no detecta señal en el medio.. Todas las estaciones paran las transmisiones y a cada estación se le aplica un tiempo aleatorio antes de proceder a la transmisión. Con.
MEDIOS DE TRANSMISIÓN INALAMBRICOS Mind Map

Techinfo explica el acceso múltiple por detección de portadores con detección de colisiones (CSMA / CD). Además, con este protocolo, se agregan herramientas más definidas para detener una transmisión tan pronto como se detecta una colisión. Este tipo específico de CSMA califica aún más las estructuras para el tráfico de red, lo.
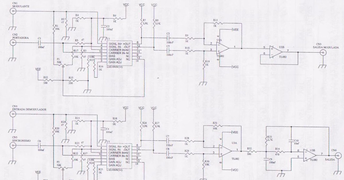
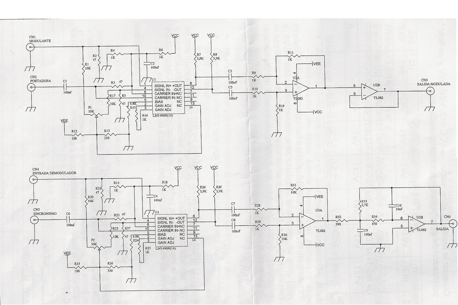
Comunicaciones Sistema de transmision y recepcion de amplitud modulada

(c) CSMA/CD - Acceso múltiple por detección de portadora con detección de colisión. Las estaciones pueden terminar la transmisión de datos si se detecta una colisión. Para obtener más detalles, consulte: Eficiencia de CSMA/CD (d) CSMA/CA - Acceso múltiple por detección de portadora con prevención de colisiones. El proceso de.
Modulacion y frecuenca comunicacion analogicas 2

Otro esquema de acceso múltiple es el acceso múltiple con sentido de portadora ( CSMA ), que se utiliza en el sistema WiFi (IEEE 802.11). El esquema de acceso se ilustra en la Figura 5.4.1 5.4. 1 (e). Este esquema también se utiliza en ambientes hostiles donde diversas radios no pueden estar bien coordinadas. En CSMA, los usuarios transmiten.
Modulación AM DSB SC empleando MATLAB EN AMPLITUD DE DOBLE BANDA
2.1.2 Acceso Múltiple por División de Tiempo (TDMA). En TDMA múltiples usuarios van a realizar una transmisión utilizando la misma. portadora pero esta portadora va a ser "prestada" entre diferentes usuarios durante. intervalos específicos de tiempo, es decir el tiempo es dividido en intervalos de igual.
TRANSMISIN AM MATERIA SISTEMAS DE COMUNICACIN I ESTUDIANTES

El acceso múltiple con detección de portadora con prevención de colisiones ( CSMA/CA ) en redes informáticas es un método de acceso múltiple a la red en el que se utiliza detección de portadora , pero los nodos intentan evitar colisiones comenzando la transmisión solo después de que se detecta que el canal está "inactivo". . [1] [2] Cuando transmiten, los nodos transmiten sus.
SISTEMA Y METODO DE TRANSMISION DE PORTADORAS MULTIPLES. (1)

6: Capa Enlace de Datos 6-4 Protocolos de acceso múltiple Usan un canal simple de difusión compartido Puede haber dos o más transmisiones simultáneas en distintos nodos: => Interferencia Colisión si un nodo recibe dos o más señales al mismo tiempo Protocolos de acceso múltiple Algoritmo distribuido que determina cómo los nodos.
Multiplexación de la red de computadoras protocolo de comunicación

Redes. El CSMA (Carrier Sense Multiple Access) es un protocolo utilizado en redes de computadoras para compartir canales de comunicación de manera eficiente. Este protocolo se basa en la detección de portadora, lo que significa que los dispositivos en la red deben escuchar y detectar si hay actividad en el canal antes de transmitir datos.
Tcnicas de Modulacin Analgica MODULACIN EN AMPLITUD Sistemas

Con las siglas CSMA se describe un proceso fundamental para regular la comunicación de los integrantes de una red que usan un mismo medio de transmisión estructurado de forma descentralizada.Comprende tres variantes distintas en función del medio de transmisión: CSMA/CA, CSMA/CD y CSMA/CR. Mientras la primera se usa principalmente en redes inalámbricas, CSMA/CD se creó para Ethernet.
Relación de transmisión

El acceso múltiple con detección de portadora / con prevención de colisiones (CSMA / CA) es un protocolo de contención de red que se utiliza para la transmisión de portadora en redes que utilizan el estándar 802.11. En contraste con el protocolo Carrier Sense Multiple Access / Collision Detect (CSMA / CD), que maneja transmisiones solo.
Transmisiones Flexibles YouTube

Para la transmisión adaptativa se emplean varias MODCOD con códigos turbo de bloque (BTC)9. En el § 10.1 del Informe UIT-R S.2173 se describe el comportamiento detallado de los BTC MODCOD. Es/N0 se fija a un valor de 20,5 dB, que corresponde al valor de Es/N0 requerido de 18,5 dB para BTC MODCOD de MAQ-64 (63,56)2 (el superíndice «x.
Mecanismos de transmisión simplex, halfduplex y fullduplex YouTube

Cómo trabaja Ejemplo de espectro en FDM de 16 portadoras moduladas por DQPSK y una portadora central modulada en DBPSK. Las múltiples señales de información que se envían a través de un sistema FDM, tales como los canales de televisión que se envían a través de un sistema de televisión por cable, se denominan señales de banda base.En el extremo de la fuente, para cada canal de.
Sistemas de corriente portadora con modulación de fase,…

Algunos ejemplos de técnicas de modulación digital incluyen la modulación de amplitud en cuadratura (QAM), la modulación de fase (PSK) y la modulación de frecuencia desplazada (FSK). Estas técnicas utilizan diferentes variaciones en la amplitud, fase o frecuencia de la señal portadora para representar los bits de información.
Aparato y procedimiento de sincronización en un sistema con modulación

RESUMEN. Las proyecciones de demanda del servicio de banda ancha muestran un crecimiento vertiginoso en las próximas décadas. El esquema de modulación que soporta el nivel físico de tales servicios es el de multiplexión por división de frecuencias ortogonales (OFDM) que, gracias a sus características ortogonales, logran sobrepasar las barreras de transmisión impuestas por los canales.
com5102 Trabajo practico nº6 Sistema de transmisión y recepcion de AM
1. Acceso múltiple con detección de portadora y detección de colisiones (CSMA/CD): En este método, una estación monitorea el medio después de enviar una trama para ver si la transmisión fue exitosa. Si tiene éxito, la estación finaliza, si no, la trama se envía de nuevo. En el diagrama, comienza a enviar el primer bit de su trama en.
.